Die
Grundplatte ...
Das Wichtigste beim Aufbau einer Laseranlage ist die Grundplatte. (Glaubt
mir das ruhig, das ist so! ;-). Ich habe im Laufe der Zeit mit vielen
verschiedenen Grundplatten gearbeitet.
Die Grundplatte muss stabil genug sein, darf nicht anfangen zu schwingen
und muss genug Platz zum Aufbau diverser Komponenten und Leitungen bieten.
Als mögliche Lösung bietet sich da eine ca. 1mm dicke Metallplatte mit
Löchern (ca. 4-5mm groß) an, welche man mit einem Holzrahmen versieht
...
Der
Aufbau ...
Der Aufbau der Laseranlage ist eine wichtige Komponente, die sehr sauber
durchdacht werden muss. Er muss zum Einen einfach, aber dennoch logisch
sein, um alles sauber und gezielt ansteuern zu können.
Lissajousfiguren
...
Der einfachste und doch sehr wirkungsvolle Effekt aus der Lasershowtechnik
ist der Lissajous - Effekt. Man lenkt den Laserstrahl über zwei Spiegel
ab, welche leicht schräg auf je einer Achse eines Motors aufgesetzt sind.
Jeder Spiegel für sich erzeugt einen Kreis. Beide Kreise überlagern sich
und ergeben bei einstellbarer Motorendrehzahl eine Vielzahl von sehr wirkungsvollen
Effekten.
Laserhimmel
...
Wenn man das Glück hat, und einen ausgedienten (oder defekten) Laserdrucker
in die Finger bekommt: NICHT WEGWERFEN!!! In diesem Drucker befindet sich
eine Laser - Ablenkeinheit, d. h. diese Einheit erzeugt einen Strich.
In dieser Blackbox sitzt u. a. eine Scheibe, gelagert auf einem Motor,
welche an den Seiten mit einigen Spiegelflächen bestückt ist. Diese Flächen
lenken den Strahl vertikal ab und ergeben so den Eindruck einer Linie.
Mittels einer Blanking - Einheit (z.B. Lochscheibe) kann man die Linie
noch in Abschnitte unterteilen. Im Nebel ein sehr interessanter Laserhimmel.
Akustikmodulator ...
Hier beginnt das ganze interessant
zu werden: Man suche sich zwei ausgediente (am besten innen gleiche Bauweise,
aber andere gehen auch ;-) CD - Player, und schlachtet sie aus!
Nein, nein, das, was wir brauchen, ist der Schlitten mit dem Laser und
der Linse! Der Laser hat leider nur eine Leistung von vielleicht einigen
µW (Mikrowatt), aber die Linse lässt sich sehr gut mit einer geringen
Spannung bewegen. Man klebt einfach einen Spiegel darauf, schließt das
ganze an eine NF - Quelle (Radio, Computer, Frequenzgenerator) an, koppelt
den Laserstrahl ein und bekommt sehr interessante Effekte!
Blanking ...
Eine sehr effektvolle Erweiterung stellt das sog. Blanking dar. Es handelt
sich hierbei um eine Unterbrechung des Laserstrahls. Einen Diodenlaser
kann man ja eventuell noch pulsen, aber einen Gaslaser ??? Der spielt
da ganz und gar nicht mit.
Hier wird eine kurze Einleitung mit Aufbaubeschreibung für eine Blankingeinheit
gegeben, im Besonderen wird das Blanking aber in den Effektseiten beschrieben,
da er hier seine Anwendung findet.
Nebel ...
Was wäre eine Lasershow ohne Nebel ???
Lange Zeit hatte ich keinen Nebel, um meine Effekte zu bewundern (obwohl
sie plan an der Wand auch sehr gut aussehen ...)
... bis ich dann irgendwann eine "verwahrloste" etwas ältere
Nebelmaschine von Safex (hat leider keine Adresse im Web) gebraucht gekauft
habe.
Das Gehäuse war schon leicht angerostet, der Lack teilw. abgeblättert
usw., sämtliche Leitungen im Gerät waren vergammelt (Die Flachstecker
zerfielen, waren z. T.
auch schon unsachgemäß erneuert worden) ...
Aber: Die Komponenten, also Heizeinheit, Thermostete, Schalter, Lampen
etc bis auf ein Schütz waren noch alle einwandfrei. Somit habe ich das
Gerät komplett überarbeitet, geschmirgelt und neu lackiert, und nach Fertigstellung
zu Safex geschickt, welche mir das Gerät neu einstellten (Temperatur,
etc).
Diese Nebelmaschine (welche einst für ca. 2000DM zu kaufen war, und sich
jetzt immer noch in dieser Preisspanne bewegt (immerhin 1500W Leistung)
hat mich dann alles in allem ca. 400DM gekostet. (Im Vergleich: Eine Nebelmaschine
bei ELV mit 700W Leistung kostet ca. 200DM, eine mit 1000W bereits 500DM.
Dann kann man sich ja entsprechendes ausrechnen ...
Soviel zum Thema Eigenarbeit.
Spannungsversorgung ...
Meine Anlage ist so ausgelegt, dass sie auf 12V läuft. (D. h., sie kann
auch (bis auf die Nebelmaschine vom Auto aus im Freien betrieben werden)
Weiterhin fallen die 12V unter Experimentierspannung und sind ungefährlich.
Man sollte sich nur ein ausreichend starkes Netzteil besorgen, da der
Laser bereits >über 1A Strom
zieht.
Der Laser ...
Der Laser, welchen ich verwende, kann man sich bei ELV ( www.elv.de )
bestellen, kostet mit Netzteil und Gehäuse für die Röhre 178,- DM in der
12V Version, wobei die Röhre alleine bei 98,-DM liegt.
WICHTIG ist zu beachten, dass das Licht der Laserröhre oder -diode im
Bereich des sichtbaren Lichtes liegt (ca. 400 - 700nm (Nanometer, 1 mal
10 ^ -9 Meter!)). In o. g. Laserdruckern finden sich meist 5mW Laserdioden
mit einer Wellenlänge von 780nm, also ungeeignet. Selbst wenn man etwas
rote Strahlung sehen kann (Ich stelle in der Unterseite "Der Laser"
ein Experiment mit einer Laserdiode aus einem CD - Player vor) so ist
doch der Großteil der Strahlung für das menschliche Auge unsichtbar und
somit sehr gefährlich.
AUF KEINEN FALL DIREKT IN DEN LASERSTRAHL BLICKEN !!!. Kurzer Augenkontakt
ist bei ca. 2mW noch unbedenklich, auch der Abgelenkte Strahl (z. B. beim
Tunneleffekt) ist unbedenklich.
Ich muss allerdings dazusagen, dass diese Röhre mit einer Ausgangsleistung
von 2mW doch ein bisschen mager ist. Will man auf große Distanzen projizieren
so empfiehlt sich der Einsatz einer Leistungsstärkeren Laserröhre, welche
dann aber um ein vielfaches teurer ist. Für den Einstieg ist die Röhre
jedoch völlig ausreichend.
Mittlerweile bin ich auch in Besitz einer Laserdiode, welche sichtbares
Licht abgibt.
Ich bin aber ein wenig enttäuscht, da man den Strahl der Laserdiode fokussieren
muss. Weiterhin liefert die Laserdiode mit 3,5mW Leistung nur eine viel
geringere Lichtausbeute als die Röhre mit 2mW!!! Betreibt man die Diode
ohne Linse (welche das Licht sammelt, in eine Richtung lenkt und Fokussiert),
so streut das Laserlicht in breitem Strahl aus der Diode.
Die Röhre dagegen gibt ohne Fokussierung einen sauberen, feinen Sichtstrahl
(im Nebel sehr schön zu sehen) ab.
Die Laserspiegel
...
Für die Ablenkung von Laserstrahlen werden spezielle Spiegel benötigt.
Die Spiegelhalter
...
Als Spiegelhalter bieten sich Winkel aus dem Baumarkt an, ca. 1 - 2mm
dick, 4cm hoch und 3 - 4cm lang. Wichtig ist, dass die Winkel stabil sind,
weil eine hohe Motordrehzahl "labberige" Winkel zum Schwingen
bringt - und das wiederum verzerrt den Effekt.
Das Programm ...
Ich biete hier ein Programm (Tastatur- und Mausgesteuert) an, mit welchem
man die Laseranlage steuern kann. Das Programm gibt es kostenlos zum Download
- und wer an den Quellen interessiert ist, sie sind in Basic geschrieben
und können auch heruntergeladen werden. Eine Beschreibung der Funktionsweise
der Ansteuerung findet ihr in dieser Unterseite.
Die Schaltung...
...wird unter diesem Punkt beschrieben ;-)
Die Grundplatte
...
Die Grundplatte ist eigendlich das wichtigste für den ganzen Aufbau. Sicher,
man kann zum experimentieren auch auf z. B. eine Holzplatte zurückgreifen,
aber ich empfehle eine stabile Metallplatte mit Löchern. Zum Einen kann
man darauf gut arbeiten, weil alle Löcher schon da sind, und zum anderen
ist so eine Platte sehr gut für die Leitungsverlegung geeignet. Die Leitungen
werden nämlich einfach hinter den aktiven Baugruppen versenkt und am Rand
der Metallplatte wieder
herausgeführt.
Zur Platte:
Meine Grundplatte ist ca. 600 x 400mm (die vorläufig letzte und auch größte
Grundplatte) und aus 1mm starkem Metall mit 5mm Löchern. Für den Rand
habe ich mir im Baumarkt einen Rahmen aus MDF - Holz schneiden lassen
(2 Leisten 600 x 20 x 20mm und 2 Leisten 360 x 20 x 20mm). Mit Senkkopf
- Holzschrauben lassen sich die sehr gut am Rand festschrauben und man
hat eine solide Grundplatte für die Lasershow.
Wenn man die Drehzahl der Motoren erhöht, fangen sie irgendwann an zu
schwingen, was sich auf die ganze Platte überträgt. Nimmt man dazu noch
eine weiche Grundplatte und dünne Winkel für die Spiegel, dann ergibt
das "schön" verzerrte Muster!
Eine stabile Grundplatte "verschluckt" diese Schwingungen (zum
größten Teil).
Sämtliche Leitungen werden unterhalb der Platte verlegt, so daß man oben
genug Platz für die Komponenten für die Ablenkung des Strahls hat.
Der
Aufbau der Laseranlage ...
Seid kurzem habe ich den Aufbau meiner Anlage verändert. Da an jedem Spiegel
Verluste der Lichtleistung auftreten (das, was man als Punkt auf dem Spiegel
erkennen kann, strahlt logischerweise in alle Richtungen weg), ist es
sinnvoll, bei einer geringen Laserleistung (z.B. von rund 2mW bei der
Phillips HeNe - Röhre) die Zahl der Spiegel möglichst gering zu halten.
Zwar wird so die Ansteuerung der Effekte etwas schwieriger (man muss einen
Schrittmotor sehr genau programmieren) aber im Endeffekt doch einfacher,
da man eben nur einen Motor braucht.
Legt man für den Motor eine definierte Startposition fest, so kann man
für diese Position im Programm einen Schrittmotor_Index auf Null setzen,
und die Steps zur Effektsteuerung einfach auszählen, sprich den Motor
so lange "anzutickern", bis der Effekt erreicht ist.
Merkt man sich in Variablen die einzelnen Werte für die Schrittzahl, so
ist es recht einfach, die einzelnen Effekte auszuwählen.
Weiterhin ist der Gesamtaufbau so auch einfacher zu realisieren. Hat man
z.B. für einen Effekt insgesamt 5 Umlenkspiegel, bis der Effekt erreicht
ist, und jede Spiegelhalterung wandert um Bruchteile von Grad, so wird
der Laserstrahl beim Effektgenerator nicht mehr da ankommen, wo man ihn
haben will.
Somit spart man auch eine Vielzahl von Spiegeln. Der (meine ich) einzige
"Nachteil" ist, dass der Strahl auf der Platte nicht mehr so
schön im rechten Winkel zur Platte geführt wird. Trotzdem ist darauf zu
achten, dass der Strahl im rechten Winkel beim Effekt ankommt, da sich
sonst auf den Um/Ablenkspiegeln ein Oval abbildet.
Weiterhin spart man durch diesen Aufbau eine Menge Platz auf der Platte,
den man dann ja für andere Effekte verwenden kann...
Der
Lissajous - Effekt ...
Vorweg gesagt: Die meisten in der Disko gezeigten Tanzeffekte sind wohl
Lissajousfiguren, das sind nämlich einfach nur zwei überlagerte Sinusfunktionen.
Denken wie mal (zurück) an Mathe 8/9 Klasse: Es wird ein Kreis gezeichnet,
in dem in verschiedenen Winkeln Radien eingetragen werden. Diese Radien
werden dann auf eine Achse mit Winkeleinteilung als Punkte aufgetragen,
und zu einer Kurve verbunden. So bekommt man die bekannte Sinuskurve.
Der Kreis, den jeweils beide Motoren durch die schrägen Spiegel projezieren,
ist nichts anderes als ein Sinus. Würde man den Motor seitlich bewegen
so wird man eine Welle erhalten. Gut, der Laser scheint auf den ersten
Motor, dieser projeziert einen Kreis auf den zweiten Motor (natürlich
auf die Spiegel ;-). Der Kreis des ersten Motors wird jetzt vom zweiten
Motor wiederum abgelenkt, und so entstehen an der Projektionsfläche (z.
B. Wand) interessante Muster.
Die verschiedenen Muster, die dargestellt werden können, entstehen jetzt
lediglich aus dem Verhältnis der Drehgeschwindigkeit und Richtung der
beiden Motoren zueinander, die Höhe der Gesamtgeschwindigkeit ist die
"Bildwiederholrate". Je höher die gesamtgeschwindigkeit ist,
unso flackerfreier wird das Bild; aber auch umso dunkler.
Der Blanking - Motor unterbricht den Strahlenverlauf nun einfach, so daß
ein Teil des Bildes dunkel gezeichnet wird. So kann man z. B. einen Kreis
darstellen, welcher aus mehreren segmenten besteht, im Nebel ein toller
Tunneleffekt!
Drehen sich beide Motoren in die gleiche Richtung, so bekommt man Muster,
welche aus einem Kreis resultieren, z. B. einen großen Kreis, welcher
sich öffnet und schließt, oder andere Abwandlungen je nach Geschwindigkeitsverhältnis.
Drehen sich beide Motoren in unterschiedliche Richtungen so bekommt man
die bekannten "Blumeneffekte".
Beide Effektbereiche lassen sich mit der Blanking - Einheit sehr interessant
erweitern, so daß man nahezu eine unendliche Zahl an Mustern generieren
kann.
Einige Muster sind besonders geeignet für die Projektion an eine Wand,
andere sind im Nebel viel interessanter. (Allein der Tunnel - das ist
nur ein sich drehender Motor - ist im Nebel schon ein Erlebnis!) Und sehr
oft wird auch der sog. Aha! - Effekt kommen: So machen die das also in
der Disko! Ich muss aber dazu sagen,
daß in der Disko - meistens - richtige X/Y - Ablenkeinheiten eingebaut
sind (z. B. Galvanometermotoren, die sind seeeeeehr teuer!), welche dann
über eine Sinusspannung gesteuert werden. Das führt aber zu dem selben
Ergebnis, welches ich hier mit der kleinen Einsteigeranlage vorstelle!
Der Laserhimmel ...
Der Laserhimmel ist eigendlich ein ganz einfacher Effekt: man lenkt einen
Laserstrahl nur in horizontaler Richtung ab, und bekommt einen Strich
an der Wand. Im Nebel allerdings sieht man den Stich auf seinem ganzen
Weg, so daß man den Eindruck eines Himmels bekommt. (Wenn der Nebel wie
Wolken durch den
Laserstrahl zieht...) Schaltet man nun noch das Blanking mit dazu, dann
hat wird die Linie in kurze Striche / Punkte geteilt, was im Nebel wie
einzelne Flächen / Strahlen aussieht. Durch entsprechende Einstellung
kann man den Motor für die Himmel - Projektion und den Blanking - Motor
so abstimmen, daß man z. B. einzelne Strahlen bekommt, welche entweder
stehen oder langsam nach links oder rechts über einen hinweg gehen.
Das Materiel für den Laserhimmel findet man in einem ausgedienten Laserdruker.
Eine Einheit sorgt dafür, daß der einzelne Laserstrahl als Strich auf
eine Fläche projeziert werden kann. Diese Scheibe muß vorsichtig vom Motor
getrennt und gerade und fest auf einen Gleichstrommotor aufgebracht werden.
Danach bohrt man in eine für den Motor passende PG - Schelle zwei Löcher
senkrecht zur Befestigung, so daß der Motor mit der Achse nach oben auf
der Grundplatte montiert werden kann. Zu beachten ist hierbei,
daß die Motorachse lang genug ist, um auf die Höhe des Laserstrahls zu
kommen.
Blanking ...
Die einfachste Komponente stellt - in der simplen Form aufgebaut - die
Blanking - Einheit dar:
Man nimmt einen Gleichstrommotor (am besten aus einem CD - Player, da
sitzen pro Stück gleich drei Motoren drin (Schublade, Teller und Kopf)
und versieht ihn mit einer 2-Draht-Leitung (Lang genug, entsprechend der
Grundplatte).
Für die Blanking - Scheibe hat man dann zwei Möglichkeiten:
Die einfachste ist mit einem Schraubstock und einer Säge zu bewerkstelligen
;-) : Man sägt 3 - 5 Schlitze derart in den Teller, welcher vorher mal
die CD angetrieben hat, und zwar im ungefähr gleichen Verhältnis Lochgröße
zu "Rest". (Natürlich kann man auch experimentieren...)
Die Scheibe wird nun wieder auf den Motor geschoben, und dann wäre unsere
Blankingeinheit schon fast fertig. Vorher sollte man sich aus dem Baumarkt
oder Elektromarkt PG - Schellen besorgt haben. Diese gibt es in verschiedenen
Größen, und zwar auch in genau den Größen für die Motoren aus den CD -
Playern und der Laserröhre von ELV!
Dazu kauft man sich am besten Gewindeschrauben (3 - 5mm, passend zur Lochgröße
der Grundplatte, keine Senkkopfschrauben) mit jeweils zwei Unterlegscheiben
und einer Mutter. Alles zusammen ergibt die Ideale Befestigung für unseren
Motor.
Eina andere Möglichkeit - ein wenig eleganter - ist es, eine Plastikscheibe
zu nehmen (ca. 2mm dick) und in gleichem Abstand auf Laserhöhe (ergibt
sich aus der Höhe des Laserstrahls und der Höhe / Größe des Blankingmotors
mit Halterung, kannmman am besten Aufbauen und mit dem Laser als Hilfe
anzeichnen) ca. 3 - 5mm große Löcher zu bohren. (Natürlich ist auch hier
der Experimentierfreudigkeit keine Grenzen gesetzt). Diese Scheibe wird
nun fest auf der Motorachse montiert
- und fertig ist die etwas bessere Blankingeinheit.
Eine weitere Mehtode (hab´ ich bisher noch nicht ausprobiert) ist es,
z. B. einen Schrittmotor oder ein Relais zu verwenden. Wie gesagt - Versuch
macht klug!
Ansteuerung des Motors ...
Irgendwie muss man den Motor jetzt nur noch zum Drehen bringen...
Für meine Motoren habe ich jeweils selber kleine Treiberschaltungen aufgebaut.
Ich arbeite komplett mit den Transistoren BD 243C (NPN) und BD 244C (PNP)
sowie mit vielen 1KOhm Wiederständen.
Es gibt jetzt wiederum mehrere Möglichkeiten:
a) Gleichspannungsgesteuert über Potis
Die Einfachste ist wohl der Aufbau einer kleinen Schaltung mit Potis,
indem man mit 2 Potis (1/1, 1/10 oder 1/100) die Basisspannung der Transistoren
einstellt. ( Siehe Schaltung ) Natürlich kann man auch alle drei Potis
in den Basiszweig legen, für die Einstellung grob, fein, sehr fein. Zwei
Potis sind aber ausreichend, z. B. 500KOhm und 50KOhm.
b) Computergesteuert über den Parallelport
Keine Angst - hierfür stelle ich ein Programm zur Verfügung. Den Motoren
ist es nämlich herzlich egal, ob man die Drehzahl mit Strom und Spannung
einstellt, oder mit einem Rechteck mit variablem Impuls- Pausenverhältnis.
Aber dazu mehr hier.
Die Laserspiegel
...
Wie gesagt: bekommt man wohl am günstigsten bei ELV ( www.elv.de )
Wenn jemand eine günstigere Quelle findet: Her damit!
Es gibt verschiedene Arten von Spiegeln:
1. Der ganz normale, herkömmliche (gebräuchliche)
Spiegel,
wie er im Haushalt verwendet wird. Er besteht aus einer Glasplatte, auf
dessen Rückseite eine reflektierende Schicht aufgebracht ist. Das Licht
trifft durch die Glasplatte auf diese Schicht und wird reflektiert. Genau
genommen gibt es hier mehrere Reflektionen, nämlich jedes Mal, wenn das
Licht das Medium wechselt. Also: Luft - Glas - <Reflektionsschicht>
- Glas - Luft. Bestrahlt man solch einen Spiegel mit einem Laser, so wird
man feststellen, dass man mehrere Strahlen
zurückbekommt.
Weiterhin hat das Spiegelglas eine grüne Färbung. Da grün die Gegenfarbe
zu (hier meist verwendet) rot ist, absorbiert das Spiegelglas einen Teil
der Lichtenergie des Lasers. Normales Spiegelglas ist also für Ab/Umlenkeinheiten
äußerst ungeeignet, es sei denn, man verwendet solch einen Spiegel als
Effektspiegel, wo diese Eigenschaft gewünscht ist.
2. Oberflächenplanspiegel
Solche Spiegel sind (bei www.elv.de erhältlich) oft kleine Glasplättchen,
welche mit einer hochgradig reinen Aluminiumschicht bedampft sind. Diese
Spiegel reflektieren den Strahl an ihrer Oberfläche, so dass im Grunde
kein Wechsel des Transportmediums stattfindet. Diese Spiegel sind für
den kleinen Geldbeutel recht leicht zu haben (bei ELV ca. 3 DM / Stück)
und sind für die meisten Aufbauten auch ausreichend genug.
3. Abgeglichene Spiegel
Diese Arten von Spiegel sind schon etwas schwieriger zu bekommen und sind
nicht gerade billig.
Das Prinzip dieser Spiegel ist im Groben folgendes: Licht ist auch nur
eine Schwingung von einer ganz bestimmten Frequenz (genau so wie Radioempfang
;-). Es ist nun möglich, die Oberfläche des Spiegels derart zu beschaffen,
dass sie eine ganz bestimmte Wellenlänge (oder Frequenz) eines ganzen
Lichtspektrums extrem gut reflektiert (rund 98% und mehr). Dafür werden
andere Farben schlechter reflektiert, aber danach kann man ja bei einer
Mehrfarbenanlage den Aufbau entsprechend
auslegen...
Man erkennt diese Spiegel an einer Leichten Färbung an der Oberfläche
(welche auch die Reflektionsfläche ist). Für einen roten Laser ist die
Farbe ein leicht schimmerndes rot.
Spiegelhalter
...
Als Halter für die Spiegel bieten sich wohl sehr gut Winkel aus dem Baumarkt
an. Diese sollten mindestens 1mm dick sein, 4mm hoch und ca. 3 - 4mm breit.
(Siehe Zeichnung)
Bevor ich mir die Winkel besorgte bin ich auf die Idee gekommen, ausgediente
Slotbleche von PC - Gehäusen zu nehmen. Auf Länge geschnitten eignen sich
diese nämlich auch - allerdings sollte man diese nur um experimentiren
verwenden, da sie bei höherer Motordrehzahl anfangen zu schwingen. Weiterhin
haben sie den Nachteil, daß sie sich mit der Zeit verbiegen; wenn man
sie ein mal ausgerichtet hat bleiben sie nicht in der Position, sondern
verbiegen sich wieder leicht. Und gerade
die Positionierung muss sehr genau sein, da sich ein Winkel in falscher
Stellung gleich auf den ganzen Aufbau auswirken kann. Ergebnis: Ich durfte
vor jeder Lasershow alle Winkel neu ausrichten !
Die Höhe der Winkel hängt von der Höhe des Laserstrahls ab: Ich wählte
für meine Anlage (Bedingt durch die Halterungen der Laserröhre) eine Strahlhöhe
von ca. 3,4cm. Die Spiegel kann man auch einfach auf die Halter aufkleben,
zu empfehlen ist aber, daß man sich eine justierbare Halterung baut, welche
man an dem Winkel befestigt. Eine Bauanleitung für so einen Winkel mit
feinjustierbarer Spiegelhalterung findet ihr zum Beispiel bei www.lmn-lasertechnix.de.
Wichtig ist, daß der Laserstrahl überall im rechten Winkel verläuft. Erklärung
am Beispiel einer Taschenlampe: Strahlt man mit einer Taschenlampe senkrecht
gegen eine Wand, so hat men (im Normalfall) einen Lichtkreis. Strahlt
man dagegen jetzt schräg gegen die Wand, dann bekommt man eine Ellypse.
Genau so verhält sich das mit dem Laser auch, und bei jedem Spiegel, wo
der Strahl nicht senkrecht auftrifft wird der Laserstrahl breiter. Und
ein breiterer Laserstrahl ist schwerer auf einen Spiegel zu bekommen:
Beim Lissajouseffekt muss der zweite Spiegel das gesamte Muster vom ersten
Spiegel ablenken, und bei einem breiteren Laserstrahl wird dies um so
schwieriger. Außerdem ist die Projektion nacher nicht mehr so scharf.
Aber so etwas kann man ja durch ausprobieren selbst herausfinden...
Das Programm
...
... nennt sich Thorstens Lasersoftware ;-)
Über eine Programmroutine wenden auf den 8 einzelnen Bits des Parallelport
Rechtecksignale generiert. Die Impuls- und die Pausenzeit kann in Form
von Indexen eingestellt werden (und somit auch die Frequenz).
Normalerweise braucht jeder Motor ein Bit. Da der erste Lissajous - Motor
aber seine Richtung ändern könne muss, benötigt er 2 Bit, und zwar Bit
0 (Pin 2) und Bit 1 (Pin 3).
Je nachdem, auf welchem Bit das Rechtecksignal liegt, dreht sich der Motor
rechts- oder linksherum. Das bedeutet, daß immer(!) ein Bit (Bit 0 oder
Bit 1) 0 betragen muss, da es ansonsten in der Brückenschaltung - welche
den Motor steuert - zu einem Kurzschluss kommt. Programmtechnisch ist
das aber sehr einfach zu realisieren.
Der zweite Lissajous - Motor bekommt das Bit 2 des Ports. Er braucht nur
ein einziges Rechtecksignal.
Bit 3 ist für den Blanking - Motor bestimmt. Auch er benötigt nur ein
Bit.
Den Motoren ist es nun herzlich egal, ob man ihre Drehzahl mittels einer
variablen Gleichspannung oder einerm variablen Rechteck mit konstanter
Spannung einstellt. Der Motor reagiert nur auf die ihm zugeführte Leistung.
Bei der Gleichspannung resultiert die Leistung aus dem Produkt aus Spannung
und Strom, bei der Rechteckspannung ist die Spannung aber konstant. Hier
"entsteht" die Leisung aus der Zeit, welche die volle Spannung
mit dem aus dem Wiederstand des Motors resultierenden Strom am Motor anliegt.
Im Klartext: Man stellt die Zeit ein, wie lange am Motor Spannung anliegen
soll und wie lange nicht!
Die oberen 4 Bits (Bit 4 bi 7) sind also (noch) frei!
Die Soft zum Download
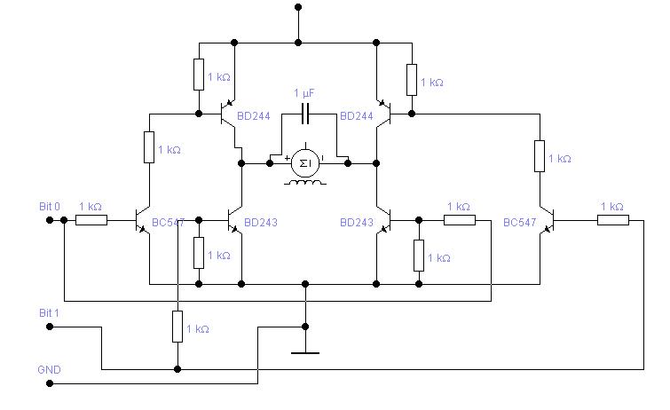
Die Schaltung...
...wird folgendermaßen aufgebaut:
Also...

Motor 2, Blanking
Die eine Schaltung ist sehr einfach aufzubauen, nämlich folgendermaßen:
Das Signal für Motor 2 (Bit2 des Parallelports) wird über einen 1KOhm
-
Widerstand entkoppelt auf die Basis eines Transistors BD243. Den
Kollektorwiderstand stellt der Motor dar, was bedeutet, dass der Motor
mit einem
Pin an +12V und mit dem anderen am Kollektor anliegt. Der Emitter wird
an Masse
geschaltet. Nicht zu vergessen: Eine Freilaufdiode (1N4001 oder ähnlich),
welche in
Sperrichtung zum Transistor (also von E nach C) liegt, um die induktiven
Ströme
aufzufangen (hab ich selber aber auch nicht ;-)
Somit wäre die Treiberstufe für den 2. Motor fertig. Der Blanking - Motor
bekommt die selbe Schaltung als Treiberstufe, er wird nur von Bit 3 gespeist.
...Motor 1:

Beim ersten Motor sieht das ganze etwas schwieriger aus, dieser wird nämlich
mit
2Bit, Bit0 und Bit1, gespeist.
Dabei ist es wichtig, dass das Ansteuerprogramm dafür sorgt, dass immer
nur ein Bit
(entweder Bit0 ODER Bit1) gesetzt ist, da es sonst in der Treiberschaltung
zu einem
Kurzschluss kommt.
Erhält die Treiberschaltung über Bit0 die Impulse, so wird der Motor rechts
herum
laufen (oder links ;-).
Erhält die Treiberschaltung über Bit1 die Impulse, so wird der Motor links
herum
laufen (oder rechts ;-). (Man beachte den Unterschied *LOL*)
...die Schaltung funzt nun folgendermaßen:
Im wesentlichen besteht die Schaltung aus einer Brückenschaltung mit 4
Transistoren:
Die oberen Transistoren sind NPN - Transistoren vom Typ BD243, die unteren
sind
PNP - Transistoren BD244.
Im Brückenzweig liegt der Motor. Die Signale der Bits 0 und 1 werden über
zwei
1KOhm - Widerstände auf die Basis von zwei BC... - Transistoren (NPN)
eingekoppelt, die Transistoren dienen der Vorverstärkung (werden hier
benötigt).
Die zusammengeführten Kollektoranschlüsse werden auf +12V, die
zusammengeführten Emitter auf Masse gelegt.
Wichtig ist weiterhin, dass jeweils zwei BD - Transistoren (ein NPN und
ein PNP)
über Kreuz zusammen angesteuert werden. Dadurch erreicht man im Motor
eine
Umpolung der Spannung und eine andere Drehrichtung.
|